Türkçe
English
+90 216 365 23 62 / 63
[email protected]
Bizi takip edin!
Menu
ANASAYFA
KURUMSAL
ÜRÜNLERİMİZ
İMALATLAR
SERTİFİKALARIMIZ
İLETİŞİM
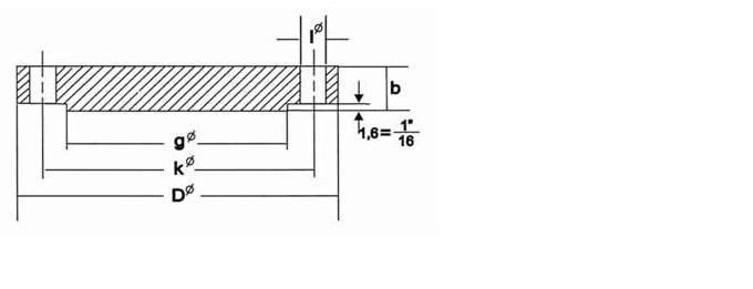
150 Lb Kör Flanş
©2018 ¬ TEMSAN VANA ¬ Tüm hakları saklıdır.
Web Tasarım -
Global Medya